Elektriciteit in huis

In huis werken heel erg veel dingen op elektriciteit. Denk aan alle lampen, maar bijvoorbeeld ook de koelkast, de oven, de boormachine, je laptop of de stereo-installatie. In elk huis werken deze schakelingen op dezelfde manier.

Het lichtnet

Het geheel aan stopcontacten en andere stroomaansluitingen in huis wordt het lichtnet genoemd. Op het lichtnet van woningen staat een wisselspanning van ongeveer 230 volt. De frequentie van de wisselspanning is in Europa 50 Hz ('hertz'): de fasedraad is afwisselend + en -, en dat 50 keer per seconde. Er is afgesproken om de spanning en de frequentie in heel Europa hetzelfde te houden zodat je alle elektrische apparaten in heel Europa kunt gebruiken.

Alle stopcontacten en andere aansluitpunten van het lichtnet zijn parallel met elkaar verbonden. Dit zorgt ervoor dat je elk apparaat of lamp afzonderlijk aan en uit kunt zetten zonder dat de andere apparaten aan of uit gaan. Ook blijft op die manier de spanning over elk apparaat hetzelfde, namelijk 230 volt.

De spanning en de frequentie op het lichtnet is niet overal op de wereld gelijk.

Verschillende draden

Wanneer je de stroomkabels in huis 'ontleedt' zie je dat er verschillende kleuren draden gebruikt worden. De kleur van de draad geeft, als het goed is, aan wat de functie van die draad is. De bruine draad is de fasedraad, dat is de draad waar een wisselspanning van 230 volt op staat. De blauwe draad is de nuldraad, die de stroomkring compleet maakt. Zwarte draden zijn schakeldraad, die worden gebruikt tussen de schakelaar en bijvoorbeeld de lamp.

De draden kunnen ook verschillende diktes hebben. Voor apparaten die veel energie gebruiken en daarom een grote stroomsterkte nodig hebben moeten dikkere kabels gebruikt worden om te voorkomen dat de draad te warm wordt.

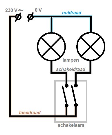
Aansluiten van twee lampen op twee schakelaars. De lampen zijn parallel geschakeld, elke lamp heeft zijn eigen schakelaar en stroomkring.

Schakelschema bij de afbeelding hiernaast. Bruin is de fasedraad, zwart is de schakeldraad en blauw is de nuldraad.

Aardedraad

Veel stroomkabels hebben ook een aardedraad. Deze is vaak verbonden met de buitenkant van het apparaat en zorgt ervoor dat, mócht er iets mis zijn en een spanning op de buitenkant van het apparaat komen te staan, de stroom geleid wordt naar de aarde. Deze draad is er dus voor de veiligheid, normaal loopt er geen stroom door deze draad. De aardedraad is altijd geel-groen gestreept.

De aardedraad bij een apparaat heeft natuurlijk alleen zin wanneer deze ook verbinding maakt met de aardedraad in huis. Dat gebeurt via de randaarde van het stopcontact. Alleen als het stopcontact zo'n randaarde heeft is het apparaat geaard.

Stopcontact zonder randaarde.

Stekker zonder randaarde.

Stroomkabel met fasedraad, nuldraad en aardedraad.

Stopcontact met randaarde.

Stekker met randaarde.

Accu's en laders

Tegenwoordig worden er in huis ook veel apparaten gebruikt met een oplaadbare batterij of accu. Denk bijvoorbeeld aan een mobiele telefoon, laptop, elektrische tandenborstel, e-bike of elektrische auto. Batterijen en accu's leveren een gelijkspanning, en er is ook gelijkspanning nodig om ze op te laden. De grootte van de spanning is ook verschillend: een telefoonbatterij kan bijvoorbeeld opgeladen worden met een spanning van 5 V (de standaard spanning op een usb-aansluiting) of 9 V terwijl voor een fietsaccu meestal 36 V of 48 V nodig is. Om de accu's te laden aan een stopcontact moeten er dus twee dingen gebeuren:

  • De grootte van de spanning moet aangepast worden.
  • De wisselspanning van het lichtnet moet omgezet worden in een gelijkspanning.

Hier zorgt het elektrische circuit in je acculader voor. Een goede lader heeft ook elektronica die ervoor zorgt dat het laden met de juiste spanning, op de optimale snelheid en veilig gebeurt. Daarom moet je altijd de lader gebruiken die bij het apparaat hoort.

Een telefoon opladen.

De adapter van Samsung kan 100 tot 240 V wisselspanning omzetten in 5 of 9 V gelijkspanning, afhankelijk van welk apparaat er aangesloten is.

De accu van een speed-pedelec opladen.

De acculader zet de spanning van het lichtnet om in 54,6 V gelijkspanning, de maximale stroomsterkte die hij levert is dan 4,5 A.

In de meterkast

Bij de meterkast komt de stroom je huis in. Daar wordt het verdeeld over alle aansluitpunten in je huis. Ook wordt daar gemeten hoeveel energie je gebruikt en zijn er een aantal beveiligingen om ongelukken met elektriciteit te voorkomen. De meterkast is dus een soort 'verkeerscentrale' voor het lichtnet van je huis.

De aansluitpunten in huis zijn altijd verdeeld over meerdere groepen. Dit zorgt ervoor dat de stroomsterkte niet te groot wordt, en dat normaal gesproken niet alles tegelijkertijd uitvalt als er iets mis gaat. Elke groep kan apart aan en uit zetten (handig als er aan de installatie gewerkt wordt) en heeft een eigen zekering.

Huizen hebben vaak ook bijzondere groepen voor bijvoorbeeld een inductiekookplaat (deze heeft een zeer grote stroomsterkte nodig, waardoor er aparte bekabeling en een andere aansluiting nodig is) of de aansluiting van zonnepanelen.

Een kijkje in de meterkast: groepen met automatische zekeringen, aardlekschakelaars, hoofdschakelaar en digitale kilowattuurmeter.

Dit huis heeft 6 groepen (met automatische zekeringen) en 2 aardlekschakelaars.

Dit huis heeft 9 groepen (met automatische zekeringen), 2 aardlekschakelaars en een aparte hoofdschakelaar.

Zekering

Wanneer de stroomsterkte in een groep te groot is is er sprake van overbelasting: de stroomkabels worden dan te warm waardoor ze kunnen smelten en er kortsluiting of brand kan ontstaan. Elke groep heeft een zekering die dat voorkomt: hij schakelt de stroom in de groep automatisch uit wanneer de stroomsterkte te groot wordt. Je kunt deze, nadat je de oorzaak van het probleem uit het stopcontact gehaald hebt, gewoon weer aan zetten.

De zekering die gebruikt wordt moet passen bij de maximale stroomsterkte die de kabels in huis aan kunnen. In de meeste huizen worden zekeringen van 16 ampère gebruikt, die schakelen de stroom dus uit als die boven de 16 A komt. Aangezien de spanning 230 V is kun je uitrekenen hoe groot het totale vermogen van de aangesloten apparaten in één groep maximaal mag zijn: P = U x I = 230 x 16 = 3 680 W. Wanneer je teveel apparaten aansluit en tegelijkertijd aan zet, wordt de stroomsterkte te groot en schakelt de zekering de groep uit.

In oude installaties kun je nog in plaats van automatische zekeringen een stoppenkast zien met smeltzekeringen. Zo'n zekering moet vervangen worden voor een nieuwe wanneer hij doorgesmolten is.

Automatische zekering van 16 A.

Stoppenkast en een smeltzekering.

Aardlekschakelaar. Op de aardlekschakelaar zit een knopje waarmee hij getest kan worden.

Aardlekschakelaar

Als alles goed is gaan alle elektronen die het huis in gaan er ook weer uit. Dit komt omdat elektronen nooit verbruikt worden, ze geven alleen maar energie af. De stroomsterkte die je huis in gaat moet dus hetzelfde zijn als de stroomsterkte die je huis verlaat. Als dat niet zo is is er iets mis: er lekt stroom weg, bijvoorbeeld door een kapot apparaat of kapotte kabel. Dat zou via de aardedraad kunnen zijn maar ook bijvoorbeeld via een persoon die een apparaat of draad die onder spanning staat aanraakt. Dat is levensgevaarlijk, en daarom heeft elk huis één of meerdere aardlekschakelaars.

De aardlekschakelaar meet de stroomsterkte die het huis in gaat en vergelijkt die met de stroomsterkte die het huis verlaat. Als die niet gelijk zijn wordt binnen een fractie van een seconde de stroom automatisch uitgeschakeld.

Kilowattuurmeter

De kilowattuurmeter meet hoeveel energie je in het hele huis gebruikt. Deze informatie heeft het elektriciteitsbedrijf nodig om de juiste rekening te kunnen sturen. Bij oude kilowattuurmeters moest iemand in je huis de meter komen aflezen. Tegenwoordig worden in de meeste huizen 'slimme' meters geplaatst. Deze digitale meters kunnen op afstand door het elektriciteitsbedrijf uitgelezen worden, en geven veel extra informatie over je energiegebruik. Vaak kun je dan ook via een app op je telefoon op elk moment informatie krijgen over het energieverbruik in huis.

Een dubbele analoge kilowattuurmeter. Met deze meter wordt het energiegebruik 's nachts en overdag apart gemeten.

Een 'slimme' digitale kilowattuurmeter.

Zonnepanelen

Veel huizen hebben zonnepanelen om, meestal gedeeltelijk, het huis van energie te voorzien. De fotovoltaïsche cellen in zonnepanelen kunnen licht omzetten in elektrische energie. Omdat zonnepanelen gelijkspanning leveren en omdat die spanning afhankelijk is van de hoeveelheid licht is er een omvormer nodig. Deze zorgt ervoor dat de gelijkspanning wordt omgezet in een wisselspanning, en dat de geleverde spanning constant 240 V is. Het liefst gebruik je de gratis energie die de zonnepanelen leveren zelf, daarom is het slim om bijvoorbeeld te wassen of een elektrische auto op te laden als de zon schijnt. Wanneer je (bijvoorbeeld 's nachts of op een donkere winterdag) meer energie verbruikt dan de zonnepanelen op dat moment leveren wordt dat aangevuld vanuit het elektriciteitsnet. Wanneer de zonnepanelen juist meer energie leveren dan je zelf verbruikt dan probeert het systeem dit terug te leveren aan het elektriciteitsnet. Het moet dan wel ergens anders gebruikt kunnen worden, want in het elektriciteitsnet zelf kan de energie niet bewaard worden voor een ander moment. Daarom wordt er gewerkt aan allerlei manieren om elektrische energie op te slaan, zowel in het groot (als onderdeel van het elektriciteitsnet) als in het klein. Thuis kan dit al in een thuisbatterij die je overdag kunt laden en 's nachts je huis van energie kan voorzien.

Zonnepanelen op het dak van een huis.

De spanning die van de zonnepanelen komt moet eerst omgevormd worden naar wisselspanning van 240 volt. Je gebruikt de elektrische energie het liefst meteen zelf, maar hij kan ook geleverd worden aan het elektriciteitsnet of een eventuele thuisbatterij.